2.5. VU-metar
Vizualizacija zvuka
Što je VU-metar?
VU-metar dolazi od engleske kratice Volume Unit Meter, što znači mjerač razine zvuka. U audio-tehnici koristi se za prikaz jačine audio signala – primjerice koliko je glasna neka pjesma ili govor. Klasični VU-metri često se vide kao pokazivači s kazaljkom na pojačalima i miksetama, dok danas njihovu ulogu često preuzimaju LED trake ili digitalni zasloni.
Vježba
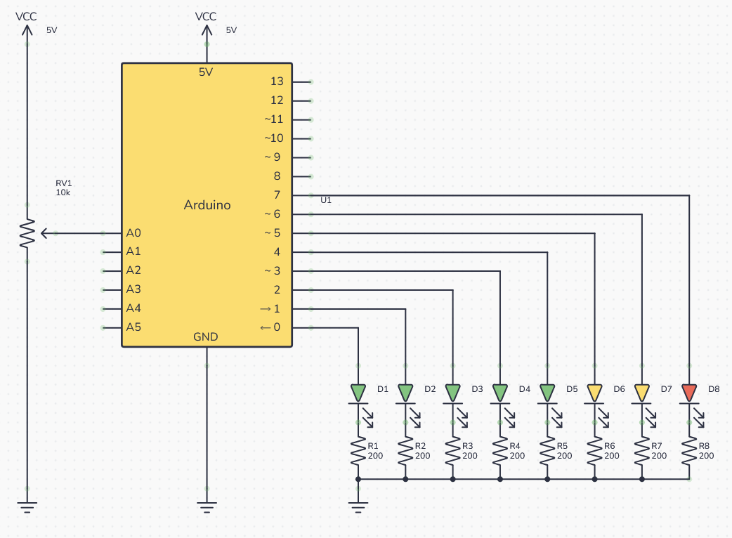
Na današnjoj radionici izradit ćemo jednostavni VU-metar s pomoću Arduina i osam LED dioda povezanih na digitalne pinove 0–7.
Kao ulazni signal koristit ćemo potenciometar spojen na analogni ulaz A0.
Svrha vježbe
U ovom projektu naglasak je na urednosti i preciznosti pri izradi elektroničkog sklopa.
Ispravni spojevi na breadboardu (eksperimentalnoj pločici) ključni su za uspješan rad. Kratki spojevi ili nepravilno umetnute komponente često uzrokuju neispravan rad ili kvar sklopova. Zbog toga preporučujemo da se nožice otpornika pažljivo skrate i saviju na potrebnu duljinu, kako bi se sve komponente uredno smjestile i osigurao pregledan raspored žica.
Ispravni spojevi na breadboardu (eksperimentalnoj pločici) ključni su za uspješan rad. Kratki spojevi ili nepravilno umetnute komponente često uzrokuju neispravan rad ili kvar sklopova. Zbog toga preporučujemo da se nožice otpornika pažljivo skrate i saviju na potrebnu duljinu, kako bi se sve komponente uredno smjestile i osigurao pregledan raspored žica.
// C++
void setup()
{
// inicijaliziraj digitalne pinove 0-7 kao izlaz
for (int i = 0; i <= 7; ++i)
{
pinMode(i, OUTPUT);
}
}
void loop()
{
int inVal = analogRead(A0); // pročitaj vrijednost na A0
int outVal = map(inVal, 0, 1000, 0, 7); // mapiraj vrijednost na broj digitalnih izlaza
for (int i = 0; i <= 7; ++i)
{
if (i <= outVal)
digitalWrite(i, HIGH);
else
digitalWrite(i, LOW);
}
}
Dodatna pitanja i zadaci:
- Umjesto potenciometra spoji mikrofon, koji će stvarnu glasnoću pretvarati u svjetlosni prikaz na LED diodama.
- Prilagodi program tako da pri ugodnoj jačini zvuka svijetle zelene LED-ice, malo glasnije svijetle žute, a ako je preglasno svijetli crvena LED.
Što smo naučili?
- Što je VU-metar i kako prikazuje jačinu signala.
- Kako koristiti analogni ulaz Arduina za očitavanje vrijednosti s potenciometra ili mikrofona.
- Koliko su urednost i preciznost važni za pouzdan rad elektroničkih sklopova.