o.O wtFAQ – We Tinker, Fix and Question
1.1. Otpor i djelilo napona ▶

1. Strujni krug - osnovni pojmovi
Što je to struja? Što je to napon?

Što je strujni krug?

strujni krug
Strujni krug je put kojim električna struja putuje od izvora energije, kroz vodiče i potrošače, pa natrag do izvora.

Možeš ga zamisliti kao zatvoreni krug za elektrone – elektroni ne mogu teći ako krug nije zatvoren.
Ako se krug prekine (npr. žica je u prekidu je prekidač otvoren), struja staje i uređaji ne rade.

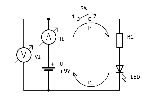
Strujni krug, koji ćemo razmatrati u daljnjem tekstu, sastoji se od izvora napajanja U, prekidača SW, otpornika R1 i LED-diode. U sam strujni krug su uključeni i mjerni instrumenti, pomoću kojih možemo mjeriti napon i struju:

strujni krug

Što je struja?

Električna struja je zapravo tok elektrona kroz vodič (npr. žicu).
Elektroni su dijelovi atoma koji imaju negativni naboj.
Kad spojiš bateriju ili izvor napajanja na krug, elektroni počinju teći od negativnog pola prema pozitivnom polu.
Taj tok elektrona je struja.
Konvencionalni tok struje je od pozitivnog pola prema negativnom.

Kako se mjeri struja?

Struju najčešće označavamo oznakom I. Jedinica struje je amper (A).
Mali krugovi za hobi (LED-ice, micro:bit) obično koriste struje koje mjerimo u miliamperima (mA), tj. tisućitim dijelovima ampera.

Mjerni instrument koji mjeri struju zove se ampermetar.
Ampermetar
Da bi mogli ispravno izmjeriti struju kroz vodič, ampermetar moramo postaviti kao dio strujnog kruga, tj. prekinuti strujni krug i uspostaviti ga ponovo kroz ampermetar (vidi gornju shemu).
Unutarnji otpor ampermetra je zanemariv za većinu naših potreba, tako da smatramo da ne utječe na svojstva strujnog kruga.

Kako struja djeluje u krugu?

Struja prenosi energiju do uređaja (LED, motor, zvučnik).
Ako struja prebrzo teče ili previše elektrona prolazi, uređaj se može pokvariti i zato koristimo otpornike da kontroliramo koliko struje ide kroz uređaj.

Što je napon?

Napon je razlika potencijala između dvije točke, koja tjera elektrone da teku kroz strujni krug.
Što je veći napon, to lakše elektroni prolaze kroz krug (veća je struja).

Kako se mjeri napon?

Napon najčešće označavamo oznakom U ili V. Jedinica napona je volt (V). U elektronici ćemo najčešće raditi sa naponima do 9 V (rjeđe do 12 V), koji nisu opasni po čovjeka.

Mjerni instrument koji mjeri napon zove se voltmetar.
Voltmetar
Voltmetar se spaja na dvije točke u strujnom krugu, između kojih želimo izmjeriti napon (vidi gornju shemu).
Unutarnji otpor voltmetra je vrlo velik, tako da struja koja teče kroz njega je zanemariva za većinu naših potreba, tako da smatramo da je utječe na svojstva strujnog kruga.

Što je otpor?

Otpor (resistor) je ograničavajući element (trošilo) za struju u strujnom krugu.
On ograničava koliko elektrona može teći kroz žicu ili uređaj.
Bez otpornika, elektroni bi mogli teći prebrzo i uništiti LED-icu ili motor.

Kako se mjeri otpor?

Otpor najčešće označavamo oznakom R. Jedinica je ohm (Ω). Otpornici imaju različite boje pruga koje označavaju vrijednost (npr. 220 Ω, 1 kΩ).
Često se mogu vidjeti varijante gdje se umjesto jedinice Ω koristi oznaka E, ili se na mjesto decimalnog zareza umeće oznaka kvantiteta (npr. 2k2 = 2.2 kΩ, 1M5 = 1.5 MΩ).

Mjerni instrument koji mjeri otpor zove se ohmmetar.
Spajamo ga na dvije točke između kojih se nalaz element ili sklop, čiji otpor želimo izmjeriti.
Kako se za mjerenje otpora kroz taj element propušta mala struja, za precizno mjerenje poželjno je izdvojiti taj element iz strujnog kruga.
Ohmmetar može utjecati na rad strujnog kruga zbog struje koju propušta kroz njega.

1.1. Otpor i djelilo napona ▶