o.O wtFAQ – We Tinker, Fix and Question
◀ 1. Strujni krug - osnovni pojmovi1.2. Arduino i mjerenje napona ▶

1.1. Otpor i djelilo napona
Kontrola napona i struje u strujnom krugu

Otpornik

otpornici
Otpornik je osnovna, pasivna elektronička komponenta koja ograničava protok električne struje u krugu. On nije izvor energije, već troši energiju stvarajući pad napona i toplinu.

Otpornik Promjenjivi otpornik Potenciometar

Otpornici se najčešće obilježavaju trakama u boji, gdje svaka boja ima svoju vrijednost. Više o tome pogledaj u alatu Otpornici.

Za što se otpornici koriste?

  • Za kontrolu i ograničavanje struje na sigurne vrijednosti
  • Za podešavanje napona u dijelovima kruga (npr. na senzorima, LED-diodama…)
  • Za dijeljenje napona…
Primjer:
Ako spojiš LED bez otpornika, može pregorjeti jer dobije previše struje. Postavljanjem otpornika u seriju s LED-om, struja se ograničava na sigurnu jačinu.
Zanimljivost:
Prvi otpornici bili su zapravo dugački žični namoti izrađeni od materijala s velikim otporom, a izumljeni su još u 19. stoljeću kad se električna energija počela širiti u svakodnevnoj upotrebi.

Ohmov zakon

Trokut Ohmovog zakona

Ohmov zakon opisuje odnos napona, struje i otpora:

\[ U = I \times R \]

Gdje je:

  • U (volt) – električni napon
  • I (amper) – električna struja
  • R (ohm) – električni otpor

Uz pomoć ovog zakona, možeš izračunati:

  • Struju kroz trošilo, ako znaš napon na tom trošilu i njegov otpor:
    \[ I = \frac{U}{R} \]
  • Otpor trošila, ako znaš napon na tom trošilu i struju koja kroz njega prolazi:
    \[ R = \frac{U}{I} \]

Za što se koristi Ohmov zakon?

On omogućuje dizajnerima električnih i elektroničkih sklopova da odaberu odgovarajuće otpornike za željenu struju i napon.

Primjer:
Imaš žarulju otpora R = 240 Ω i na nju dovedeš napon U = 12 V. Kolika struja teče kroz žarulju?
\[ I = \frac{U}{R} = \frac{12}{240} = 0.05 A = 50 mA \]
Zanimljivost:
Georg Simon Ohm je 1827. godine eksperimentalno utvrdio ovaj zakon, što je značajno unaprijedilo elektrotehniku.

Serijski spoj otpornika

Kad su otpornici spojeni jedan za drugim (serijski), struja kroz svaki od njih je ista, a pad napona se raspoređuje.

otpornici u serijskom spoju

Ukupni otpor:

\[ R = R1 + R2 + ... + Rn \]
Kao pomoć za računanje ukupnog otpora u serijskom spoju, možeš koristiti alat Kalkulator serijskog spoja otpornika.

Primjer:
Spojiš dva otpornika od 1 kΩ i 2 kΩ serijski; ukupni otpor je 3 kΩ. Ako je napon izvora U = 12 V, struja je:
\[ I = \frac{U}{R} = \frac{12 V}{3 kΩ} = 0.004 A = 4 mA \]
Pad napona na prvom otporniku je:
\[ U_1 = 4 mA \times 1 kΩ = 4 V \]
Pad napona na drugom:
\[ U_2 = U - U_1 = 8 V \]

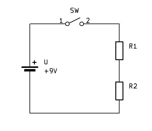
Električni otpor kao djelilo napona

djelilo napona
Serijski spoj dva otpornika može se koristiti da se napon podijeli na dva dijela u željenom omjeru. To je tzv. djelilo napona.

Kako radi?

Napon se raspoređuje na otpornike proporcionalno njihovim otporima.
Promotri ove formule:

Pad napona na prvom otporniku (R1):

\[ U_1 = U \times \frac{R_1}{R_1 + R_2} \]

Na drugom (R2):
\[ U_2 = U \times \frac{R_2}{R_1 + R_2} \]

Primjer:
Treba ti napajanje od 5 V iz baterije od U = 9 V (za uređaj osjetljiv na viši napon). Uzmi otpornike R1 = 5 kΩ i R2 = 1 kΩ. Napon na R2 je:
\[ U_2 = U \times \frac{R_2}{R_1 + R_2} = 9 \times \frac{1000}{5000 + 1000} = 9 \times \frac{1}{6} = 1.5 V \]

Paralelni spoj otpornika

Paralelni spoj znači da su oba kraja otpornika spojena zajedno – svaki ima istu naponsku razliku, ali struja se dijeli.

otpornici u paralelnom spoju

Ukupni otpor:

\[ \frac{1}{R} = \frac{1}{R_1} + \frac{1}{R_2} + ... + \frac{1}{R_n} \]

Pojednostavljena formula ako imamo samo dva otpornika spojena paralelno:

\[ R = \frac{R_1 \times R_2}{R_1 + R_2} \]

Kao pomoć za računanje ukupnog otpora u paralelnom spoju, možeš koristiti alat Kalkulator paralelnog spoja otpornika.

Primjer:
Spoji dva otpornika: R1 = 100 Ω i R2 = 50 Ω paralelno. Koliki je ukupni otpor R?
\[ \frac{1}{R} = \frac{1}{100 Ω} + \frac{1}{50 Ω} = 0.01 + 0.02 = 0.03 \newline → R = \frac{1}{0.03} = 33.33 Ω \]
Ako taj spoj priključiš na napon U = 12 V, ukupna struja I je:
\[ I = \frac{U}{R} = \frac{12 V}{33.33 Ω} = 0.36 A = 360 mA \]
Struja kroz R1 je I1:
\[ I_1 = \frac{U}{R_1} = \frac{12 V}{100 Ω} = 0.12 A = 120 mA \]
Struja kroz R2 je I2:
\[ I_2 = \frac{U}{R_2} = \frac{12 V}{50 Ω} = 0.24 A = 240 mA \]
Ukupna struja I odgovara zbroju pojedinačnih struja kroz otpornike:
\[ I = I_1 + I_2 = 0.12 A + 0.24 A = 0.36 A = 360 mA \]
◀ 1. Strujni krug - osnovni pojmovi1.2. Arduino i mjerenje napona ▶